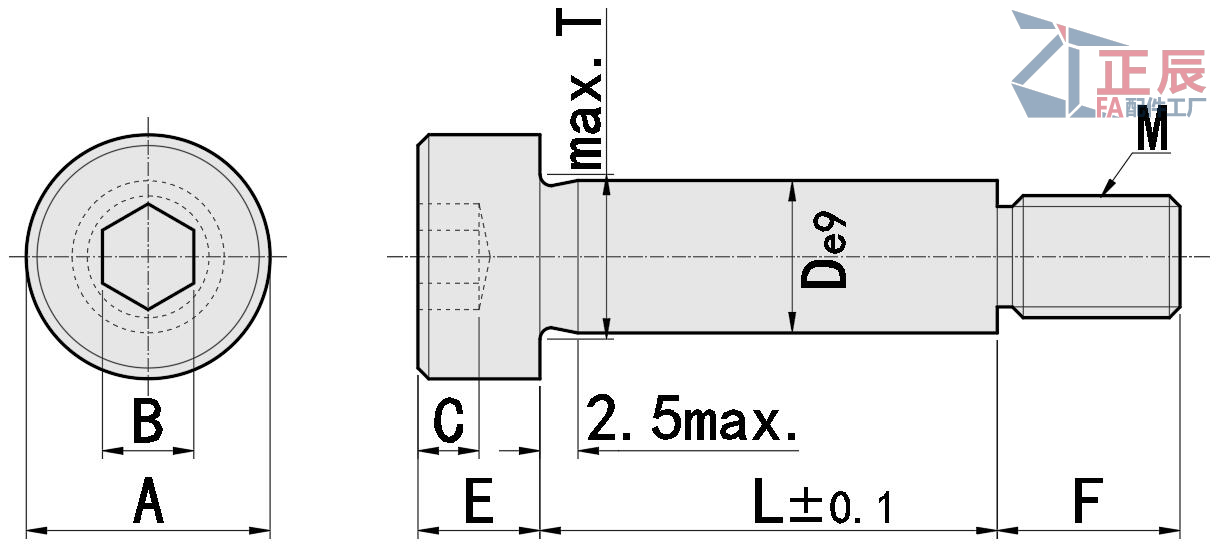
Tipo de perno pelador: Tipo de rosca macho
• Forma: Pernos peladores
• Aplicación: Estándar
• Clase de resistencia (acero): 10,9
• Forma del orificio de montaje: Hexágono interior

En maquinaria de precisión y aplicaciones industriales, elegir el componente de posicionamiento o bloqueo mecánico adecuado es fundamental para la confiabilidad, la seguridad y la eficiencia. Dos dispositivos comunes utilizados para posicionamiento y bloqueo son los émbolos indexadores y los pasadores de bloqueo de bola.
Los émbolos indexadores son componentes mecánicos vitales que se utilizan para asegurar, posicionar y bloquear piezas móviles en maquinaria, accesorios, plantillas y equipos industriales.
Los émbolos indexadores personalizados son componentes esenciales en maquinaria especializada, equipos industriales y conjuntos de precisión.
Los émbolos de indexación son componentes mecánicos esenciales que se utilizan en diversas industrias para garantizar un posicionamiento preciso, un bloqueo seguro y una alineación repetible en maquinaria, accesorios, plantillas y otros conjuntos ajustables.
Los émbolos de indexación son componentes esenciales en conjuntos mecánicos y ofrecen capacidades precisas de posicionamiento, bloqueo y alineación. Se utilizan ampliamente en maquinaria, plantillas, accesorios y equipos industriales, donde el posicionamiento preciso y el movimiento repetible son fundamentales.
HORA/LUGAR: 2026.3.31-4.3 Centro Internacional de Exposiciones y Convenciones de Shenzhen (Bao'an) STAND NO.3-P10
Si un émbolo de indexación comienza a atascarse, a no asentarse o a desgastarse antes de tiempo, reemplazarlo podría 'resolver' el síntoma, pero no la causa. La mayoría de los problemas de campo provienen del diseño del pozo receptor, la acumulación de alineación, la contaminación o la carga lateral.
En entornos hostiles, el 'émbolo de indexación' no es la especificación completa. La especificación real es: riesgo de corrosión + método de limpieza + tolerancia a la contaminación + realidad del mantenimiento. Si no diseña en torno a estos, incluso un émbolo premium se sentirá arenoso, pegado o corroído antes de su vida útil esperada.
'Capacidad de carga' suena simple hasta que un alfiler se dobla en el campo y todos preguntan por qué. Los pasadores del émbolo de indexación rara vez fallan debido a una fuerza axial pura. Fallan porque los ensamblajes reales introducen cizallamiento, flexión, desalineación y vibración, a menudo todo al mismo tiempo.
Un émbolo de indexación estándar está diseñado para volver a engancharse automáticamente. Eso es genial, hasta que deja de serlo. En cambios rápidos, placas giratorias o ajustes críticos para la seguridad, es posible que necesite el comportamiento opuesto: el pasador debe permanecer retraído hasta que el operador lo suelte intencionalmente.
Cuando un émbolo de indexación 'no parece confiable', el problema a menudo no es el émbolo. Es el agujero. El tamaño del orificio, el chaflán y la profundidad de enganche deciden si el pasador encuentra el objetivo sin problemas o si combate las rebabas, los daños en los bordes y la desalineación por el resto de su vida.
¿Sabía que usar un tornillo de fijación incorrecto puede causar daños permanentes a componentes delicados? Ya sea que esté trabajando con aluminio pulido, carcasas de plástico o ensamblajes de precisión, un tornillo de fijación de metal tradicional podría rayar, deformar o incluso agrietar sus componentes.
¿Qué tienen en común los dispositivos médicos, la electrónica de precisión y los muebles de alta gama? Todos requieren soluciones de sujeción de precisión que no dañen, y los tornillos de fijación con punta de nailon son la opción preferida. Los sujetadores estándar a menudo causan más daño que bien en ensamblajes delicados.
¿Sabía que un solo sujetador puede determinar si su conjunto durará años o fallará en unas semanas? No siempre se trata del tamaño o la resistencia del tornillo, sino del ajuste de la aplicación. En industrias donde la integridad de la superficie, el control de la vibración y la precisión son esenciales, el tornillo de fijación con punta de nailon suele ser el héroe olvidado.
'Un tornillo incorrecto puede arruinar todo el ensamblaje'. Eso no es una exageración; es una realidad a la que se enfrentan muchos ingenieros y fabricantes al elegir entre diferentes tipos de sujetadores. Imagínese apretar un tornillo de fijación en una superficie blanda de aluminio o plástico, sólo para encontrar grietas, rayones o daños permanentes.
En muchas industrias, sujetar componentes delicados sin causar daños a la superficie es un desafío constante. Ahí es donde entran los tornillos de fijación con punta de nailon: una solución inteligente y confiable para una fijación que no se daña y es resistente a las vibraciones.
Cuando usa una puerta corrediza o abre un cajón, puede sentir el suave tope y el clic. Esto proviene dela de alta calidad utiliza materiales rea calidad utiliza materiales resistentes como el acero inoxidable 304. Esto le brinda una mayor durabilidad y protege contra la oxidación.
Se utiliza un émbolo de bola de plástico para mover las piezas suavemente. Los materiales son importantes. POM y PA funcionan para los trabajos cotidianos. PEEK es mejor para lugares calurosos o difíciles. Los émbolos de bola mantienen seguros los componentes electrónicos y los moldes. Protegen superficies blandas.
La higiene es muy importante en el procesamiento de alimentos. Cada pieza, incluso un émbolo de bola de acero inoxidable, debe cumplir las normas de higiene. Las máquinas limpias ayudan a mantener los alimentos seguros para las personas. Elegir piezas que resistan los gérmenes y el óxido significa que puede confiar en su equipo durante años.
Utiliza tecnología de émbolo de bola de resorte para obtener una precarga constante y tolerancias estrechas en su equipo de automatización. Los émbolos con resorte lo ayudan a obtener un posicionamiento exacto. Esto mejora el diseño y el rendimiento.